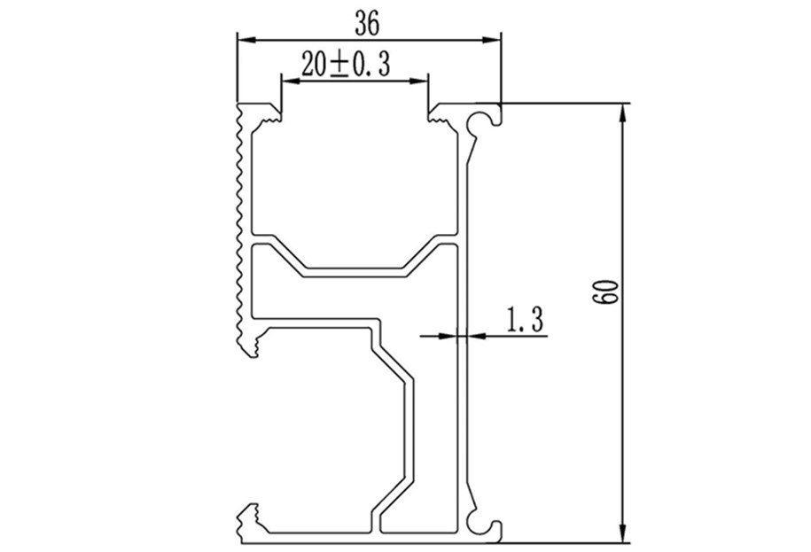
The JTD061 Solar Rail is made of material Aluminum AL6005-T5,suitable for the mounting of solar rooftop systems. The big cross section can withstand heavy wind speed.Length could be customized as per project requirement.
Full sides anodizing
Length could be customized
Drawing

Tel : +86-592-3502642
Email : info@kinsend.com


























IPv6 network supported