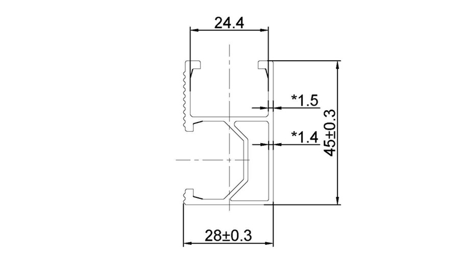
The CR3 Economic Solar Rail is made of material Aluminum AL6005-T5,suitable for the mounting of solar rooftop systems with small wind speed.Easy for install, Length could be customized as per project requirement.
10-12um full sides anodizing
Length could be customized
Drawing

Tel : +86-592-3502642
Email : info@kinsend.com


























IPv6 network supported